首 页
关于我们
信息中心
产品展示
服务体系
联系我们
GEEVALVE零泄漏防结露铝合金蝶阀
中央空调控制阀门系列
VA7100驱动器
电磁阀
动态平衡电动二通阀
电动二通阀
电动三通阀
动态流量平衡阀
动态平衡电动调节阀
静态平衡阀
自力式平衡调节阀
电子水处理器
自力式压差控制阀
冷却水用压差控制器
蒸汽电动二三通阀比例阀
温控器
温控阀
进口电动二(三)通阀
工业电动阀门
电动闸阀
电动截止阀
电动球阀
电动蝶阀
工业气动阀门
气动偏心式蝶阀
气动超薄意式球阀
气动塑料球阀
气动高压球阀
气动内螺纹球阀
对夹式气动球阀
气动对焊球阀
气动焊接三片式球阀
气动法兰蝶阀
气动卫生级快装蝶阀
气动法兰球阀
气动执行器
视镜
高真空阀门
电磁真空带充气阀
真空管道连接件
高真空挡板阀
高真空蝶阀
高真空球阀
高真空隔膜阀
混合器、消声器
低温阀门系列
其它阀门
低温球阀
低温针阀
其他截止阀
低温高压截止阀
角式截止阀
低温短轴截止阀
低温长轴截止阀
低温止回阀
低温安全阀
隔膜阀
G41W(无衬里)、G41J(衬胶)堰式隔膜阀
堰式隔膜阀
EG11W 内螺纹隔膜阀
SEG41W 卫生级隔膜阀
直通式隔膜阀
电动隔膜阀
气动隔膜阀
EG641W(无衬里)、EG641J(衬胶) 气动隔膜阀(带手动往复型)
EG6K41W(无衬里)、EG6K41J(衬胶) 气动隔膜阀(常开型)
EG41W(无衬里)、EG41J(衬胶)堰式隔膜阀
GM高真空隔膜阀
G49W(无衬里)、G49J(衬胶)三通隔膜阀
G45J直流式衬胶隔膜阀
G841W(无衬里)、G941J(衬胶)电动隔膜阀
手动隔膜阀
气动衬胶隔膜阀G6B41J-10
气动卫生级隔膜阀 带定位器
气动衬氟隔膜阀(带定位器)G6B41F-10C
卫生级气动隔膜阀
气动截止阀(带反馈信号)J641H-16P(C)仿进口型
PVDF气动隔膜阀(带反馈信号)
G41JW(无衬里)气动隔膜阀(往复型)
UPVC气动隔膜阀 G641F-6U
G6B41W(无衬里)、G6B41J(衬胶)气动隔膜阀(常开型)
气动衬胶、衬氟塑料隔膜阀(常闭式)
引进手动衬胶、衬氟塑料隔膜阀
英标气动衬胶、衬氟隔膜阀(常闭式)
气动衬胶、衬氟塑料隔膜阀(常开式)
G41F-6F型、G41F-6S型全氟塑料隔膜阀
气动不锈钢隔膜阀
气动UPVC双活接隔膜阀
调节阀
自力式调节阀
导热油专用阀系列
电动调节阀系列
气动调节阀系列
蒸汽减压阀系列
自立式压力调节阀
电动调节阀
气动调节阀
管夹阀
呼吸阀 阻火器
闸阀
球阀
零泄漏硬密封球阀
V型球阀
意式超薄球阀
止回阀
截止阀
碟阀
液位计
卫生阀门、食品制药流体配件系列
锻钢阀门
电磁阀
氨用阀门系列
平衡阀系列
安全阀系列
疏水阀系列
液体膨胀式蒸汽流水阀
膜盒式蒸汽疏水阀
可调双金属片式蒸汽疏水阀
高温高压圆盘式蒸汽流水阀
Y型式/热动力式蒸汽疏水阀
(北京式)(圆盘式)热动力式蒸汽疏水阀
钟形浮子(倒吊桶)式蒸汽疏水阀
倒吊桶式蒸汽疏水阀
DT型倒置桶式蒸汽疏水阀
杠杆浮球式蒸汽疏水阀
(立式)自由浮球式蒸汽疏水阀
自由浮球式蒸汽疏水阀
旋塞阀系列
电动二通阀、动态平衡阀系列
平板闸阀系列
伸缩管、波纹管系列
保温阀系列
保温止回阀系列
保温过滤器系列
保温蝶阀系列
保温放料阀系列
保温锻钢阀门系列
保温旋塞阀系列
保温截止阀系列
保温闸阀系列
保温球阀系列
针型、仪表阀系列
电站阀
全塑料阀门系列
CPVC系列
ABS系列
UPVC系列
RPP/PVDF系列
油田专用阀系列
水利控制阀系列
氧气阀/铜阀系列
减压阀系列
软密封闸阀系列
鸭嘴阀系列
陶瓷阀门系列
燃气阀门系列
波纹管截止阀系列
船用阀门
舾装件
管糸附件
CBM、ISO、JIS外贸船阀
YCFZ、ZCG企标船阀
GB国标船阀
CB船标船阀
排污阀、排泥阀系列
过滤器、排气阀系列
冶金阀门系列
刀型闸阀/浆液阀系列
氟塑料衬里耐腐蚀阀门
衬氟管件系列
衬氟球阀系列
衬氟隔膜阀系列
衬氟闸阀系列
衬氟止回阀系列
衬氟截止阀系列
衬氟旋塞阀系列
衬氟蝶阀系列
阀门、调节阀、电磁阀系列
锻钢阀门系列
止回阀系列
截止阀系列
闸阀系列
蝶阀系列
球阀系列
调节阀系列
电磁阀系列
控制柜和给水设备系列
给水设备
消防生活系列水泵控制柜
阀门测试台设备
胶体磨/高压无气喷涂机
聚四氟乙烯密封件
接头
标准软管接头芯
套筒
英制螺纹式接头
液压法兰接头
焊接式
硬管连接式
国际转换式
美制平面密封式(ORFS)
美制SAEJ1231接头
美制锥螺纹NPTF
美制SAE JIC37°扩口式
油田储罐配件系列
铝合金接头
沟槽件
螺纹机械四通
螺纹机械三通
沟槽机械三通
刚性卡箍
刚性管接头
法兰管卡(单片法兰)
90°弯头
45°弯头
减速机系列
隔膜泵
泵GEEPUMP
阀门GEEVALVE
首页 >
产品展示
>
阀门、调节阀、电磁阀系列
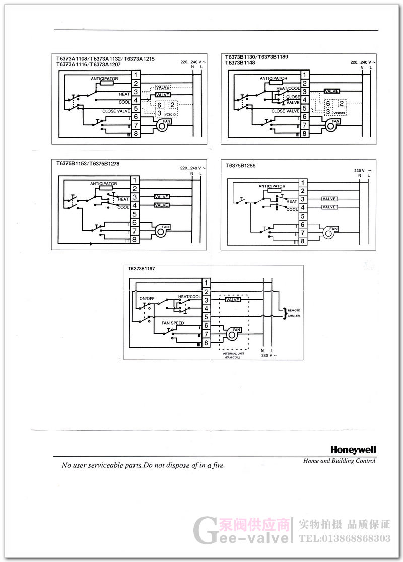
恒温控制器T6373BC1130
产品名称:恒温控制器 型号:
T6373BC1130 电压:220/240VAC
100以内现货供应 1000台以上第二天发货
品牌
恒温控制器
品质保证
在线客服QQ:25023657
客服服务热线:013868868303 0577-57989295
传真:0577-57981541(自动接收)
霍尼韦尔Honeywell 恒温控制器
概述:
Copyright © 2003-2007 版权所有 电动二通阀 |电动三通阀|动态平衡阀
浙ICP备07028721号
E-mail:valvepump@gmail.com