首 页 关于我们 信息中心 产品展示 服务体系 联系我们
             
 
  隔膜泵
  泵GEEPUMP
  阀门GEEVALVE
 
首页 > 产品展示 > 电磁阀  
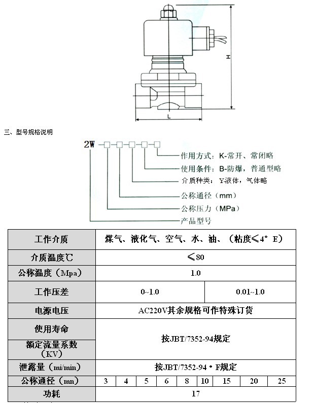
2W系列电磁阀




产品简介
一、用途
2W电磁阀是自动控制系统中常见的管路开关原件,被广泛应用于石油、化工、冶金、纺织、食品、造船、医疗、环境及其他各行业部门的管路装置中,完成系统中气体、水、液体、油类(≤4°E)等介质的自动控制,实现节能和程序控制的自控化。
二、结构说明



六、安装须知
1、安装时电磁阀线圈向上,并保持垂直位置,电磁阀上箭头或标记应与管道流向一致,不得安装在有溅水或漏水的地方。
2、电磁阀的工作介质应清洁无颗粒杂质,电磁阀内件表面上的污物及过滤器,须定期清洁干净。
3、在电磁阀发生故障时,为了及时隔离电磁阀,并保证系统正常运行,最好安装旁路装置(如图一)。注意:旁路上的阀门平时须关闭。如果电磁阀安装在支架上,电磁阀的通径应小于主管道上阀门的通径。如图(二)。
4、安装电磁阀前,管道必须清洗干净。建议在阀前安装过滤器,蒸汽管道安装疏水阀。
5、不要将阀安装在管道的低凹处,以免因蒸汽冷凝水、杂质等沉淀在阀内而防碍动作。
6、普通型不可在爆 炸危险场合使用。
7、在管道刚性不足情况下,建议把阀前后管子用支架固定,以防电磁阀工作时引起振动
8、在安装前,要注意看清产品标牌,认真阅读使用说明书,判断产品是否符合使用条件。
9、电磁阀前后管道需安装上压力表,以便观察管道压力。
七、使用保养
1、建议使用单位指派专人负责使用保养。
2、电磁阀安装后,须通入介质试动作数次,确认正常后方可投入正式使用。
3、应定期清洗大阀内外及衔铁吸合面的污物。注意不要损坏密封面。
4、电磁阀较长时间不用时,应关闭阀前手动阀,重新启用时,蒸汽电磁阀应将冷凝水排除干净,并作试动作数次,待开关正常后方可投入使用。
5、电磁阀从管路上卸下不用时,应将内部零件试净并用压缩空气吹净储存。
6、使用时间较长时,如活塞与阀座间密封不好,可将活塞密封面重新磨平,再和阀座研磨。
7、工作时,要注意阀门前后压力表,要求工作压力不得超过额定压力,工作压差必须在额定压差范围内。当工作压力超过额定压力或工作压差超过额定压差时,电磁阀要停止使用,关闭前后手动阀,以防止电磁阀爆 炸和泄漏。


 

 
Copyright © 2003-2007 版权所有 电动二通阀 |电动三通阀|动态平衡阀    浙ICP备07028721号   E-mail:valvepump@gmail.com