D341W通风蝶阀_性能规范
蝶阀用途及特点
该蝶阀采用阀体同质材料加工成密封圈,采用蜗轮传动。一般适用于工业,环保等管路作通风型调节介质流量之用。
D341W蝶阀_采用标准
法兰连接尺寸:GB9115-88
结构长度:GB12221-89
压力试验:GB/T13927-92:ZBJ16006-90
D341W硬密封蝶阀_主要技术参数
|
主要技术参数
|
DN(MM)
|
5-2000
|
|
公称压力
|
Pn(MPA)
|
0.05
|
0.25
|
0.6
|
|
试验压力PS(MPA)
|
强度试验
|
0.075
|
0.375
|
0.9
|
|
密封试验
|
<=1.5%泄漏量
|
|
适用介质
|
煤气、含尘气体、烟道气等
|
|
适用温度
|
–40~600℃
|
D341W硬密封蝶阀_主要零件材料
|
名称
|
材料
|
|
阀体
|
铸钢、不锈钢、铬镍钼钛钢、铬钼钒钢
|
|
阀板
|
铸钢、不锈钢、铬镍钼钛钢、钛钢、铬钼钒钢
|
|
阀杆
|
碳钢、不锈钢、2Cr13、铬镍钼钛钢
|
|
阀座
|
与阀体相同
|
|
镶插板
|
氟塑料、柔性石墨
|
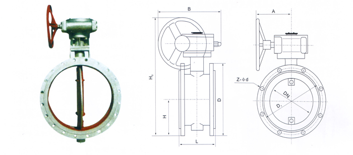
通风D4(0、1)W-(0.5、2.5、6)C、P、R、V连接尺寸
|
通径DN
|
L
|
D1
|
D
|
Z-D
|
H
|
HO
|
A
|
B
|
WT/KGS
|
|
50
|
108
|
110
|
140
|
4-14
|
70
|
215
|
270
|
65
|
9
|
|
65
|
112
|
130
|
160
|
4-14
|
80
|
235
|
270
|
65
|
12
|
|
80
|
124
|
150
|
190
|
4-18
|
95
|
263
|
270
|
65
|
15
|
|
100
|
127
|
170
|
210
|
4-18
|
105
|
283
|
270
|
65
|
17
|
|
125
|
140
|
200
|
240
|
8-18
|
120
|
313
|
310
|
65
|
23
|
|
150
|
140
|
225
|
265
|
8-18
|
132.5
|
338
|
310
|
65
|
25
|
|
200
|
152
|
280
|
320
|
8-18
|
160
|
493
|
365
|
90
|
42
|
|
250
|
165
|
335
|
375
|
12-18
|
187.5
|
550
|
365
|
90
|
60
|
|
300
|
178
|
395
|
440
|
12-22
|
220
|
615
|
365
|
90
|
80
|
|
350
|
190
|
445
|
490
|
12-22
|
245
|
678
|
365
|
90
|
100
|
|
400
|
216
|
495
|
540
|
16-22
|
270
|
727
|
365
|
90
|
120
|
|
450
|
222
|
550
|
595
|
16-22
|
297.5
|
782.365
|
365
|
90
|
160
|
通风D34(0、1)W-(0.5、2.5、6)C、P、R、V连接尺寸
|
通径DN
|
L
|
D1
|
D
|
Z-D
|
H
|
HO
|
A
|
B
|
DO
|
WT/KGS
|
|
50
|
108
|
110
|
140
|
4-14
|
70
|
443
|
193
|
125
|
80
|
51
|
|
65
|
112
|
130
|
160
|
4-14
|
80
|
463
|
193
|
125
|
80
|
62
|
|
80
|
114
|
150
|
190
|
4-18
|
95
|
483
|
193
|
125
|
80
|
73.5
|
|
100
|
127
|
170
|
210
|
4-18
|
105
|
498
|
193
|
125
|
80
|
87
|
|
125
|
140
|
200
|
240
|
8-18
|
120
|
682
|
193
|
245
|
150
|
98
|
|
150
|
140
|
225
|
265
|
8-18
|
132.5
|
736
|
193
|
245
|
150
|
102
|
|
200
|
152
|
280
|
320
|
8-18
|
160
|
800
|
283
|
245
|
150
|
150
|
|
250
|
165
|
335
|
375
|
12-18
|
187.5
|
895
|
283
|
313
|
200
|
170
|
|
300
|
178
|
395
|
440
|
12-22
|
220
|
956
|
334
|
313
|
200
|
220
|
|
350
|
190
|
445
|
495
|
12-22
|
245
|
1029
|
334
|
313
|
250
|
350
|
|
400
|
216
|
495
|
540
|
16-22
|
270
|
1103
|
425
|
313
|
250
|
430
|
|
450
|
222
|
550
|
595
|
16-22
|
297.5
|
1280
|
425
|
439
|
300
|
550
|
|
500
|
229
|
600
|
645
|
20-22
|
322.5
|
1186
|
425
|
431
|
360
|
580
|
|
600
|
267
|
705
|
755
|
20-26
|
377.5
|
1321
|
425
|
556
|
360
|
850
|
|
700
|
292
|
810
|
860
|
24-26
|
430
|
1431
|
620
|
556
|
360
|
950
|
|
800
|
318
|
920
|
975
|
24.30
|
487.5
|
1542
|
6520
|
556
|
360
|
1150
|
|
900
|
330
|
1020
|
1075
|
24-30
|
537.5
|
1800
|
620
|
706
|
360
|
1750
|
|
1000
|
410
|
1120
|
1175
|
28-30
|
587.5
|
2363
|
620
|
706
|
360
|
2100
|
|
1200PN0.6
|
470
|
1340
|
1405
|
32-33
|
702.5
|
2583
|
620
|
706
|
360
|
2580
|
|
1200PN0.25
|
470
|
1320
|
1375
|
32-30
|
687.5
|
|
|
|
|
|
|
1400
|
530
|
|
1420
|
36-30
|
|
|
|
|
|
|
|
1600
|
600
|
|
1620
|
40-33
|
|
|
|
|
|
|
|
1800
|
670
|
|
1820
|
44-39
|
|
|
|
|
|
|
|
2000
|
760
|
|
2020
|
48-42
|
|
|
|
|
|
|