|
用 途
ZL47F-16型自力式平衡阀,用于需要进行流量控制的水系统中,尤其适用于供热、空调等非腐蚀性液体介质的流量控制。运行前一次性调节,即可使系统流量自动恒定在要求的设定值。
特 点
1、能使系统流量自动平衡在要求的设定值;
2、能自动消除水系统中因各种因素引起的水力失调现象,保持用户所需流量,克服“冷热不均”,提高供热,空调的室温合格率;
3、能有效克服“大流量,小温差”的不良运行方式,提高系统能效,实现经济运行;
4、采用数字显示装置,直接设定手动调节阀开度确定流量,使用智能仪表一次性调试。
工作原理
自力式平衡阀由自动调节阀瓣和手动调节阀瓣两部分组成。系统流体的工作压力为P1,手动调节阀瓣的前后压力分别为P2、P3。当手动调节阀瓣调到基本一位置时,即人为确定了“设定流量”,以及相对应的固定(P2-P3)值。当系统流量增大时,此时自动调节阀瓣自动关小,直到流量重新维持到设定流量,反之亦然。
产品设计选型
1、一般在管网的分支点,热口,室内立管皆应设计、安装自力式平衡阀,以提高系统调节性能。
2、自力式平衡阀可安装在供水管上,也可安装在回水管上。当系统流体工作压力超过散热器允许工作压力时,为安全起见,自力式平衡阀宜安装在供水管上。
3、最高使用温度100℃,公称压力1.6MPa。(温度>100℃以上的要定做)
4、适用压差范围:20-30KPa。当系统工作压差超过300KPa时,为防止产生噪音,应采取措施将多余的压差消耗掉。
5、选取用DN15~DN25口径的自力式平衡阀,须注明连接方式。
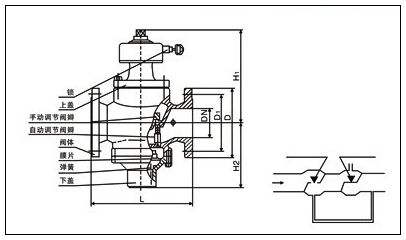
主要外形尺寸及性能参数
| DN |
L |
D |
D1 |
n-d |
H1 |
H2 |
| 15 |
110 |
螺纹连接 |
122 |
70 |
| 20 |
110 |
122 |
70 |
| 25 |
115 |
137 |
74 |
| 32 |
160 |
135
|
100 |
4-18 |
182 |
91 |
| 40 |
200 |
145 |
110 |
4-18
|
191 |
147 |
| 50 |
215 |
160 |
125 |
4-18 |
197 |
147 |
| 65 |
230 |
180 |
145 |
4-18 |
205 |
154 |
| 80 |
275 |
195 |
160 |
8-18 |
259 |
181 |
| 100 |
290 |
215 |
180 |
8-18 |
268 |
211 |
| 125 |
310 |
245 |
210 |
8-18 |
334 |
227 |
| 150 |
350 |
280 |
240 |
8-22 |
357 |
260 |
| 200 |
430 |
335 |
295 |
12-22 |
407 |
303 |
| 250 |
520 |
405 |
355 |
12-26 |
452 |
367 |
| 300 |
635 |
460 |
410 |
12-26 |
486 |
430 |
| 350 |
670 |
520 |
470 |
16-26 |
555 |
495 |
ZL47F型自力式平衡阀在系统中的应用

安装与调试
1、安装方式:水平、垂直均可;
2、安装时要注意阀体外水流指示箭头,遵循方向安装;
3、安装前要彻底清除管道内的杂物,通水前必须彻底冲洗管道;
4、流量调节方法:
(1)把测压小阀与智能仪表上的软管连接好;
(2)松开测压小阀的阀杆;
(3)用钥匙打开锁销,使锁销从锁体中弹出;
(4)用活动扳手顺时针慢慢旋转阀杆;流量逐渐减小并在智能仪表上显示出来,直到达到设定值为止;
(5)左右微转阀杆,使数显窗口内的数字与窗口内数字与窗口对正;
(6)拔下钥匙,将锁销推进锁体,此时开度已被锁定。
|