首 页 关于我们 信息中心 产品展示 服务体系 联系我们
             
 
  隔膜泵
  泵GEEPUMP
  阀门GEEVALVE
 
首页 > 产品展示 > 高真空阀门  
CCQ型-气动超高真空插板阀
■ CCQ型-气动超高真空插板阀
 
  ■ CCQ型气动超高真空插板阀是通过电磁换向阀改变气路方向,控制执行气缸驱动阀板作上下运动,达到阀门的开启或关闭。阀门用于接通或切断真空管路中的气流。适用介质为纯净空气和非腐蚀性气体。
带反馈信号装置。
 
■ CCQ
Pneumatic Ultra-high Vacuum Gate Valve
 
  ■ CCQ pneumatic ultra-high vacuum gate valve uses solenoid directional valve to change the direction of air passage, and controls the actuating cylinder to drive the valve disc up and down to make the valve opened or closed. It is used to put through or cut off the air passage in vacuum pipeline. Applicable medium can be pure air and noncorrosive gases.
With signal feedback device.
 
■ 主要技术性能
Main Technical Performance
适用范围:Applicability  105~1.3×10-7Pa
 阀门漏率:Valve Leak Rate  ≤1.3×10-7Pa.L/S.(DN≤200)
 ≤6.7×10-7Pa.L/S.(DN≥250)
 适用温度:Applicable Temperature  -30~+150℃
 阀门开启时阀板两侧的压差:
  The differential pressure between the two sides of valve disc upon valve opening:
 ≤2.7×103Pa.
 气源压力:Annoy pressure  0.4~0.6MPa

■ 主要零件材料
Materials of Main Parts
 
  ■


■ 阀体、阀板:不锈钢
密封件:氟橡胶、波纹管(轴封)、丁腈橡胶。

Body, and disc: stainless steel
Sealing element: Viton, bellows(shaft seal), NBR
 
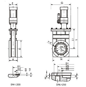
CONSTRUCTION FIGHTS(mm)
 
■ 外形及连接尺寸(mm)
Overall and Connection Dimensions(mm)

Model
型号
DN
A
H
D
Do
D1
D2
D3
L
L1
G
E
n-d
法兰标准
CCQ-50
50
60
92
89
72.4
61.6
55.6
 
515
153
220
65
8-M8
GB6071
CCQ-63
63
65
105
114
92.1
82.6
76.6
 
566
180
220
80
8-M8
CCQ-80
80
65
130
130
110
99
93
 
603
200
220
80
16-M8
CCQ-100
100
70
152
152
130.2
120.7
114.7
 
653
267
220
95
16-M8
CCQ-150
150
70
202
202
181
171.5
165.5
 
771
350
270
95
20-M8
CCQ-200
200
80
251
253
231.8
222.3
216.6
 
889
424
270
115
24-M8
CCQ-250
250
85
300
314
288
308
275
271
1127
574
350
140
24-M10
JB5278
CCQ-300
300
85
352
365
338
353
323
318
1197
613
420
140
32-M10
 
CCQ-320
320
85
372
385
357
379
344
340
1197
613
440
140
36-M10
JB5278
CCQ-400
400
110
456
497
454
480
440
436
1666
810
536
180
36-M12
CCQ-500
500
135
595
590
555
580
540
536
1835
870
640
220
40-M12
CCQ-630
630
135
690
700
658
680
639
635
1930
960
780
280
40-M16
CCQ-800
800
150
880
890
855
880
835
831
2200
1100
950
350
60-M16

 

 
Copyright © 2003-2007 版权所有 电动二通阀 |电动三通阀|动态平衡阀    浙ICP备07028721号   E-mail:valvepump@gmail.com