|
|
|
真空管道连接件
|
DN
|
D1
|
D2
|
L
|
标准
|
|
10
|
16
|
12
|
20/70
|
GB4982-85
ISO-KF
|
|
16
|
20
|
16
|
20/70
|
|
25
|
30
|
26
|
20/70
|
|
40
|
45
|
41
|
20/70
|
|
50
|
54
|
50
|
20/70
|
|
DN
|
L
|
L1
|
标准
|
|
16
|
40
|
40
|
GB4982-85
ISO-KF
|
|
25
|
50
|
50
|
|
40
|
65
|
65
|
|
50
|
70
|
70
|
|
DN
|
L
|
A
|
标准
|
|
16
|
80
|
40
|
GB4982-85
ISO-KF
|
|
25
|
100
|
50
|
|
40
|
130
|
65
|
|
50
|
140
|
70
|
|
DN
|
A
|
标准
|
|
10
|
40
|
GB4982-85
ISO-KF
|
|
16
|
50
|
|
25
|
65
|
|
40
|
70
|
CONSTRUCTION FIGHTS(mm)

|
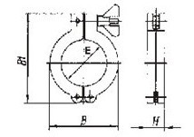
DN
|
B
|
B1
|
H
|
E
|
标准
|
|
10/16
|
45
|
61
|
16
|
22
|
GB4982-85
ISO-KF
|
|
20/25
|
55
|
72
|
17.5
|
32
|
|
32/40
|
70
|
90
|
18
|
47
|
|
50
|
95
|
123
|
25
|
61
|
|
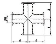
DN
|
DN1
|
A
|
A1
|
标准
|
|
25
|
16
|
35
|
35
|
GB4982-85
ISO-KF
|
|
40
|
16
|
40
|
45
|
|
50
|
16
|
50
|
50
|
|
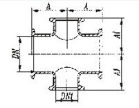
DN
|
DN1
|
标准
|
|
25
|
16
|
GB4982-85
ISO-KF
|
|
40
|
16
|
|
40
|
25
|
|
50
|
25
|
|
50
|
40
|
|
DN
|
L
|
标准
|
|
16
|
250
|
500
|
750
|
1000
|
GB4982-85
ISO-KF
|
|
25
|
250
|
500
|
750
|
1000
|
|
40
|
250
|
500
|
750
|
1000
|
|
50
|
250
|
500
|
750
|
1000
|
|
DN
|
L
|
标准
|
|
16
|
80
|
GB4982-85
ISO-KF
|
|
25
|
100
|
|
40
|
130
|
|
DN
|
d
|
H
|
标准
|
|
10
|
30
|
5
|
GB4982-85
ISO-KF
|
|
16
|
30
|
5
|
|
25
|
40
|
5
|
|
40
|
55
|
5
|
|
50
|
75
|
6
|
|
|