■ GID型-电动高真空蝶阀
■ GID型电动高真空蝶阀是以电动装置驱动阀杆与阀板执行启闭动作。用于接通或切断真空管路中的气流。适用介质为纯净空气和非腐蚀性气体。
■ GID
Electric High Vacuum Butterfly Valve
■ GID electric high vacuum butterfly valve uses electric device to drive the stem and disc to perform open and close action. It is used to put through or cut off the airflow in vacuum pipeline. Applicable medium can be pure air and noncorrosive gases.
■ 主要技术性能
Main Technical Performance
| 适用范围:Apply Range |
105~1.3×10-4Pa |
| 阀门漏率:Valve Leak Rate |
≤1.3×10-4Pa.L/S. |
| 适用温度:Applicable Temperature |
-25~+80℃(丁腈橡胶)
-30~+150℃(氟橡胶) |
| 电 源:Loop Temperature time |
220V/50Hz |
| 安装位置:Install the direction |
任意 |
|
■ 主要零件材料
Materials of Main Parts
■ 阀体、阀盖、阀杆:碳钢或不锈钢
密封件:丁腈橡胶、氟橡胶。
Body, bonnet and stem: carbon steel or stainless steel
Sealing element: NBR, Viton
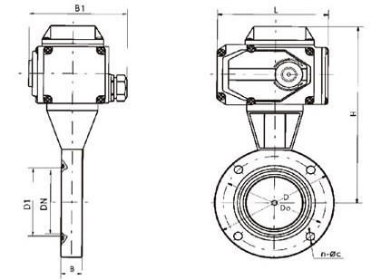
CONSTRUCTION FIGHTS(mm)
■ 外形及连接尺寸(mm)(JB919)
Overall and Connection Dimensions(mm)

|
Model
型号
|
DN
|
D
|
Do
|
D1
|
B
|
H
|
B1
|
L
|
n-φc
|
|
GID-40
|
40
|
85
|
70
|
44
|
22
|
183
|
139
|
157
|
4-φ7
|
|
GID-50
|
50
|
110
|
90
|
55
|
22
|
195
|
139
|
157
|
4-φ7
|
|
GID-65
|
65
|
125
|
105
|
70
|
26
|
203
|
139
|
157
|
4-φ9
|
|
GID-80
|
80
|
145
|
125
|
85
|
30
|
213
|
139
|
157
|
4-φ9
|
|
GID-100
|
100
|
170
|
145
|
105
|
30
|
231
|
139
|
157
|
4-φ12
|
|
GID-150
|
150
|
220
|
195
|
156
|
35
|
251
|
139
|
157
|
8-φ12
|
|
GID-200
|
200
|
275
|
250
|
208
|
40
|
315
|
147
|
207
|
8-φ12
|
|
GID-250
|
250
|
330
|
300
|
258
|
45
|
343
|
147
|
207
|
8-φ14
|
|
GID-300
|
300
|
380
|
350
|
308
|
55
|
368
|
147
|
207
|
8-φ14
|
|
GID-400
|
400
|
500
|
465
|
408
|
60
|
451
|
182
|
256
|
8-φ18
|
|
GID-500
|
500
|
600
|
565
|
510
|
80
|
535
|
182
|
280
|
12-φ18
|
|